대량구매, 견적의뢰, 문의사항 또는 찾으시는 제품이 없는 경우 고객센터로 연락주세요.
전화 : 070-4699-1204
팩스 : 0303-3444-1204
이메일 : m4288600560@gmail.com
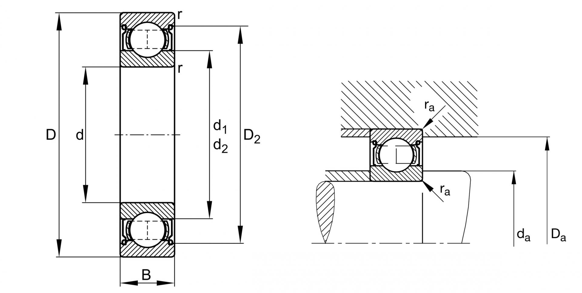
구조 및 특성
구름베어링 중에서 가장 다방면으로 사용되고 있는 깊은 홈 볼베어링은 내륜, 외륜 모두 궤도가 원호상의 깊은 홈으로 되어 있으며, 레이디얼 하중, 양방향의 액시얼 하중 또는 그 조합인 합성하중을 받을 수 있어 고속회전에도 적합합니다.

밀봉타입

| 형식 및 기호 | ZZ(쉴드,철커버) | UU(비접촉시일,고무커버) | DD(접촉시일,고무커버) |
| 구조 | 금속 쉴드판을 외륜에 고정시키고 내륜면에 V홈과의 래비린스 틈새를 형성 | 강판에 합성 고무를 접착한 시일판을 외륜에 고정시키고 시일 끝부분을 내륜 시일 면의 V홈을 따라 래비린스 틈새를 형성 | 강판에 합성 고무를 접착한 시일판을 외륜에 고정시키고 시일 끝부분은 내륜 시일 면의 V홈면에 접촉 |
| 마찰 토오크 | 작음 | 작음 | 약간 큼 |
| 방진성 | 양호 | ZZ보다 양호 | 가장 우수 |
| 방수성 | 부적합 | 부적합 | 극히 양호 |
| 허용온도범위 | -10도 ~ 110도 | -10도 ~ 110도 | -10도 ~ 100도 |
- 기호가 없는 경우 커버가 없는 오픈타입으로 그리스가 충진되어 있지 않습니다.
- 커버(밀봉) 기호는 제조사마다 상이하오니 아래 표를 참고하시기 바랍니다.
| 밀봉기호 | NTN | NSK | KOYO | FAG/KBC | SKF |
| 쉴드 | ZZ | ZZ | ZZ | 2Z,ZZ | 2Z |
| 비접촉시일 | LLB | VV | 2RU | 2RZ,2BRS,UU | 2RZ |
| 접촉시일 | LLU | DDU | 2RS | 2RS,DD | 2RS |
관련 카탈로그 및 서적

대량구매, 견적의뢰, 문의사항 또는 찾으시는 제품이 없는 경우 고객센터로 연락주세요.
전화 : 070-4699-1204
팩스 : 0303-3444-1204
이메일 : m4288600560@gmail.com

독일 셰플러그룹의 국내 생산브랜드인 KBC 깊은 홈 볼 베어링으로 긴 수명, 높은 신뢰도를 자랑합니다.
적용하고자 하는 장치의 사용 조건과 환경 조건을 확인하신 후 선정하시기 바랍니다.
구조 및 특성
구름베어링 중에서 가장 다방면으로 사용되고 있는 깊은 홈 볼베어링은 내륜, 외륜 모두 궤도가 원호상의 깊은 홈으로 되어 있으며, 레이디얼 하중, 양방향의 액시얼 하중 또는 그 조합인 합성하중을 받을 수 있어 고속회전에도 적합합니다.
밀봉타입

형식 및 기호 | ZZ(쉴드,철커버) | UU(비접촉시일,고무커버) | DD(접촉시일,고무커버) |
구조 | 금속 쉴드판을 외륜에 고정시키고 내륜면에 V홈과의 래비린스 틈새를 형성 | 강판에 합성 고무를 접착한 시일판을 외륜에 고정시키고 시일 끝부분을 내륜 시일 면의 V홈을 따라 래비린스 틈새를 형성 | 강판에 합성 고무를 접착한 시일판을 외륜에 고정시키고 시일 끝부분은 내륜 시일 면의 V홈면에 접촉 |
마찰 토오크 | 작음 | 작음 | 약간 큼 |
방진성 | 양호 | ZZ보다 양호 | 가장 우수 |
방수성 | 부적합 | 부적합 | 극히 양호 |
허용온도범위 | -10도 ~ 110도 | -10도 ~ 110도 | -10도 ~ 100도 |
- 기호가 없는 경우 커버가 없는 오픈타입으로 그리스가 충진되어 있지 않습니다.
- 커버(밀봉) 기호는 제조사마다 상이하오니 아래 표를 참고하시기 바랍니다.
밀봉기호 | NTN | NSK | KOYO | FAG/KBC | SKF |
쉴드 | ZZ | ZZ | ZZ | 2Z,ZZ | 2Z |
비접촉시일 | LLB | VV | 2RU | 2RZ,2BRS,UU | 2RZ |
접촉시일 | LLU | DDU | 2RS | 2RS,DD | 2RS |




배송 안내
1. 결제 완료 시 1~2일 이내에 발송됩니다.
- 일반적으로 평일 발송 시 다음 날 받아보실 수 있습니다. 단, 도서산간 지역 제외
- 휴일 및 택배사 사정에 따라 실제 도착일은 달라질 수 있습니다.
교환/환불 안내
1. 교환/환불 가능기간 : 상품 수령 후 7일 이내
2. 지정된 택배사가 아닌 다른 택배사를 이용하실 경우 배송료 전액을 고객님께서 부담하셔야 합니다.
3. 교환/환불이 불가능한 경우
- 교환/환불이 가능한 기간이 경과한 경우
- 교환/환불 신청 후 7일 이내에 상품이 도착하지 않은 경우
- 교환/환불하고자 하는 상품이 훼손 또는 오염된 경우
- 상품의 케이스(박스), 내용물의 포장지 등 구성품이 훼손되거나 분실된 경우
- 고객의 주문에 따라 상품에 가공이 되거나 별도로 제작한 경우
4. 고객센터 안내
- 평일 오전 10시부터 오후 5시까지 운영됩니다(주말/공휴일 제외)
- 전화 : 070-4699-1205 / 팩스 : 0303-3444-1204 / 게시판
5. 교환/반품 주소
대량구매, 견적의뢰, 문의사항 또는 찾으시는 제품이 없는 경우 고객센터로 연락주세요.
전화 : 070-4699-1204
팩스 : 0303-3444-1204
이메일 : m4288600560@gmail.com
구조 및 특성
구름베어링 중에서 가장 다방면으로 사용되고 있는 깊은 홈 볼베어링은 내륜, 외륜 모두 궤도가 원호상의 깊은 홈으로 되어 있으며, 레이디얼 하중, 양방향의 액시얼 하중 또는 그 조합인 합성하중을 받을 수 있어 고속회전에도 적합합니다.

밀봉타입

| 형식 및 기호 | ZZ(쉴드,철커버) | UU(비접촉시일,고무커버) | DD(접촉시일,고무커버) |
| 구조 | 금속 쉴드판을 외륜에 고정시키고 내륜면에 V홈과의 래비린스 틈새를 형성 | 강판에 합성 고무를 접착한 시일판을 외륜에 고정시키고 시일 끝부분을 내륜 시일 면의 V홈을 따라 래비린스 틈새를 형성 | 강판에 합성 고무를 접착한 시일판을 외륜에 고정시키고 시일 끝부분은 내륜 시일 면의 V홈면에 접촉 |
| 마찰 토오크 | 작음 | 작음 | 약간 큼 |
| 방진성 | 양호 | ZZ보다 양호 | 가장 우수 |
| 방수성 | 부적합 | 부적합 | 극히 양호 |
| 허용온도범위 | -10도 ~ 110도 | -10도 ~ 110도 | -10도 ~ 100도 |
- 기호가 없는 경우 커버가 없는 오픈타입으로 그리스가 충진되어 있지 않습니다.
- 커버(밀봉) 기호는 제조사마다 상이하오니 아래 표를 참고하시기 바랍니다.
| 밀봉기호 | NTN | NSK | KOYO | FAG/KBC | SKF |
| 쉴드 | ZZ | ZZ | ZZ | 2Z,ZZ | 2Z |
| 비접촉시일 | LLB | VV | 2RU | 2RZ,2BRS,UU | 2RZ |
| 접촉시일 | LLU | DDU | 2RS | 2RS,DD | 2RS |
관련 카탈로그 및 서적

대량구매, 견적의뢰, 문의사항 또는 찾으시는 제품이 없는 경우 고객센터로 연락주세요.
전화 : 070-4699-1204
팩스 : 0303-3444-1204
이메일 : m4288600560@gmail.com

독일 셰플러그룹의 국내 생산브랜드인 KBC 깊은 홈 볼 베어링으로 긴 수명, 높은 신뢰도를 자랑합니다.
적용하고자 하는 장치의 사용 조건과 환경 조건을 확인하신 후 선정하시기 바랍니다.
구조 및 특성
구름베어링 중에서 가장 다방면으로 사용되고 있는 깊은 홈 볼베어링은 내륜, 외륜 모두 궤도가 원호상의 깊은 홈으로 되어 있으며, 레이디얼 하중, 양방향의 액시얼 하중 또는 그 조합인 합성하중을 받을 수 있어 고속회전에도 적합합니다.
밀봉타입

형식 및 기호 | ZZ(쉴드,철커버) | UU(비접촉시일,고무커버) | DD(접촉시일,고무커버) |
구조 | 금속 쉴드판을 외륜에 고정시키고 내륜면에 V홈과의 래비린스 틈새를 형성 | 강판에 합성 고무를 접착한 시일판을 외륜에 고정시키고 시일 끝부분을 내륜 시일 면의 V홈을 따라 래비린스 틈새를 형성 | 강판에 합성 고무를 접착한 시일판을 외륜에 고정시키고 시일 끝부분은 내륜 시일 면의 V홈면에 접촉 |
마찰 토오크 | 작음 | 작음 | 약간 큼 |
방진성 | 양호 | ZZ보다 양호 | 가장 우수 |
방수성 | 부적합 | 부적합 | 극히 양호 |
허용온도범위 | -10도 ~ 110도 | -10도 ~ 110도 | -10도 ~ 100도 |
- 기호가 없는 경우 커버가 없는 오픈타입으로 그리스가 충진되어 있지 않습니다.
- 커버(밀봉) 기호는 제조사마다 상이하오니 아래 표를 참고하시기 바랍니다.
밀봉기호 | NTN | NSK | KOYO | FAG/KBC | SKF |
쉴드 | ZZ | ZZ | ZZ | 2Z,ZZ | 2Z |
비접촉시일 | LLB | VV | 2RU | 2RZ,2BRS,UU | 2RZ |
접촉시일 | LLU | DDU | 2RS | 2RS,DD | 2RS |




배송 안내
1. 결제 완료 시 1~2일 이내에 발송됩니다.
- 일반적으로 평일 발송 시 다음 날 받아보실 수 있습니다. 단, 도서산간 지역 제외
- 휴일 및 택배사 사정에 따라 실제 도착일은 달라질 수 있습니다.
교환/환불 안내
1. 교환/환불 가능기간 : 상품 수령 후 7일 이내
2. 지정된 택배사가 아닌 다른 택배사를 이용하실 경우 배송료 전액을 고객님께서 부담하셔야 합니다.
3. 교환/환불이 불가능한 경우
- 교환/환불이 가능한 기간이 경과한 경우
- 교환/환불 신청 후 7일 이내에 상품이 도착하지 않은 경우
- 교환/환불하고자 하는 상품이 훼손 또는 오염된 경우
- 상품의 케이스(박스), 내용물의 포장지 등 구성품이 훼손되거나 분실된 경우
- 고객의 주문에 따라 상품에 가공이 되거나 별도로 제작한 경우
4. 고객센터 안내
- 평일 오전 10시부터 오후 5시까지 운영됩니다(주말/공휴일 제외)
- 전화 : 070-4699-1205 / 팩스 : 0303-3444-1204 / 게시판
5. 교환/반품 주소
